Organic-inorganic interactions in general

Publikationen

  • Yuan, G., Cao, Y., Jin, Z., Schulz, H.-M., Jin, Z., Fang, R., Zhao, X., Liu, K., Wang, J. (2025): Thermally driven organic-inorganic interactions in sedimentary basins: A review from source rocks to reservoirs. - Earth-Science Reviews, 262, 105043.
  • Kang, X., Tan, J., Schulz, H.-M., Fu, B., Chang, B., Jian, C., Hu, W. (2024): Clumped and in situ carbon and oxygen isotopes of calcite as tracers for oxidation of hydrocarbons in deep siliciclastic strata. Geological Society of America Bulletin. doi: https://doi.org/10.1130/B37326.1
  • Yuan, Guanghui; Jin, Zihao; Cao, Yingchang; Schulz, Hans-Martin; Gluyas, Jon; Liu, Keyu; et al. (2024): Microdroplets initiate organic-inorganic interactions and mass transfer in thermal hydrous geosystems. Nature Communications. https://doi.org/10.1038/s41467-024-49293-y
  • Lopes Martins, L., Schulz, H.-M., Jorge Portugal Severiano Ribeiro, H., Adolphsson do Nascimento, C., Soares de Souza, E., Feitosa da Cruz, G. (2020): Cadalenes and norcadalenes in organic-rich shales of the Permian Irati Formation (Paraná Basin, Brazil): tracers for terrestrial input or also indicators of temperature-controlled organic-inorganic interactions? Organic Geochemistry, 140, 103962.
  • Yuan, G., Cao, Y., Schulz, H.-M., Hao, F., Gluyas, J., Liu, K., Yang, T., Wang, Y., Xi, K., Li, F. (2019): A review of feldspar alteration and its geological significance in sedimentary basins: From shallow aquifers to deep hydrocarbon reservoirs. - Earth-Science Reviews, 191, pp. 114-140.
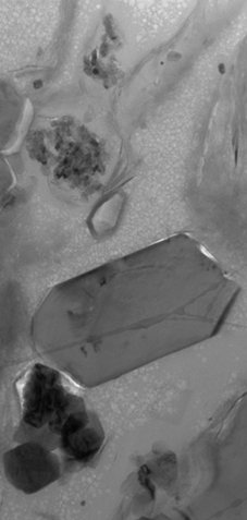
  • Schulz, H.-M., Wirth, R., Schreiber, A. (2016): Organic-inorganic rock-fluid interactions in stylolitic micro-environments of carbonate rocks: A FIB-TEM study combined with a hydrogeochemical modelling approach. Geofluids, 16, 5, pp. 909-924.
  • Schulz, H.-M., Wirth, R., Schreiber, A. (2016): Nano-Crystal Formation of TiO2 Polymorphs Brookite and Anatase Due To Organic—Inorganic Rock–Fluid Interactions. Journal of Sedimentary Research, 86, 2, pp. 59-72.
  • Mu, N., Fu, Y., Schulz, H.-M., van Berk, W. (2016): Authigenic albite formation due to water-rock interactions - Case study: Magnus oilfield (UK, Northern North Sea). Sedimentary Geology, 331, pp. 30-41.
  • Fu, Y., van Berk, W., Schulz, H.-M., Mu, N. (2015): Berthierine formation in reservoir rocks from the Siri oilfield (Danish North Sea) as result of fluid-rock interactions: Part II. Deciphering organic-inorganic processes by hydrogeochemical modeling. - Marine and Petroleum Geology, 65, pp. 317-326.
zurück nach oben zum Hauptinhalt